Description
Replaces spark ignition control module for all Honeywell S8600H modules. Used in many Jandy gas pool heaters, as well as Brivis and other gas appliances. New S8610U module replaces the obsolete S8600H and many others.
Old modules were:
24V 60Hz, PV=1A,; MV=1A Max
90 Sec Trial for Ignition
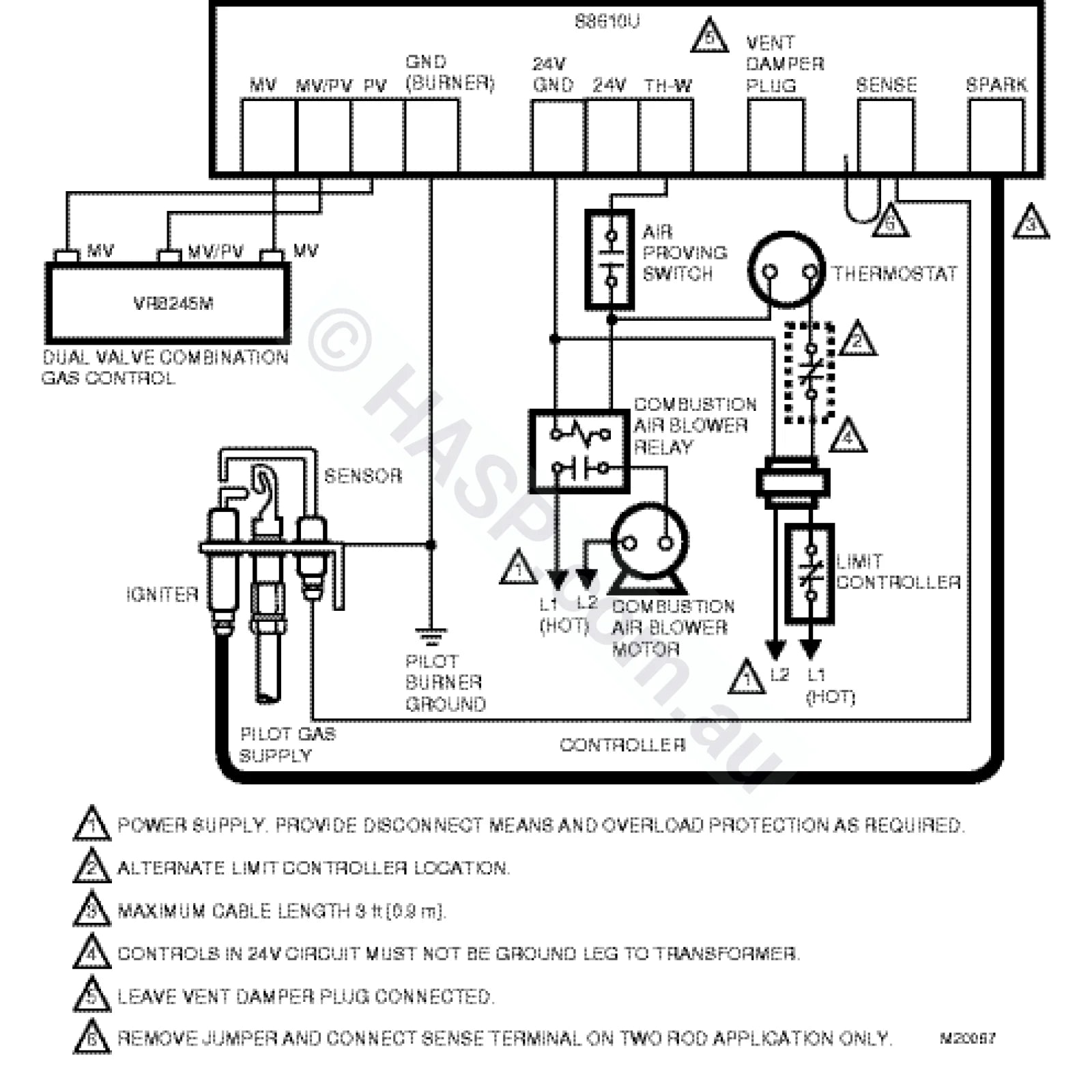
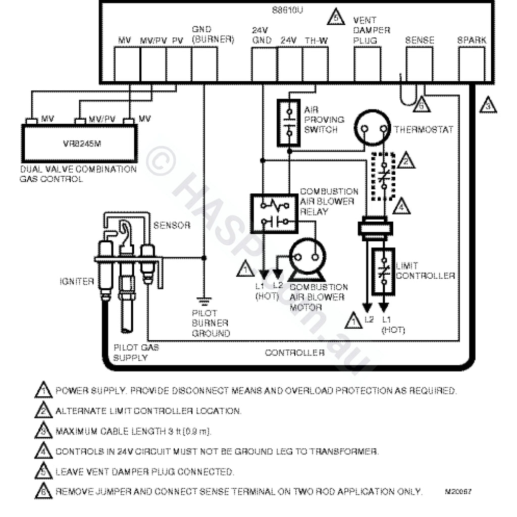
Gas Heater Universal Intermittent Pilot Module - S8610U3009
- Replaces White-Rogers, Robertshaw and Honeywell intermittent pilot ignition modules
- Provides ignition sequencing, flame monitoring and safety shutoff for intermittent pilot warm air furnaces and heating appliances
- Provides 100 percent pilot gas shutoff if pilot fails to light; after 6-minute delay, trial for ignition is repeated. Ignition trial/delay sequence is repeated until the appliance lights or call for heat is removed.
- For use with Natural or LP gas
- For use in single rod or dual rod/remote sense applications
Universal Intermittent Pilot Module Features
- Intermittent Pilot Control Module
- Provides timed trial for ignition or continuous trial for ignition and remote reset on system lockout
- Usable with standard capacity dual valve combination gas controls and automatic vent damper motors
- Replaces S86 Boxes
- Replaces various intermittent pilot modules by Honeywell, Robertshaw, Johnson, and UTEC