Honeywell S8600H S8610U Ignition Control Module - Jandy Lite, Brivis
Honeywell S8600H S8610U Ignition Control Module - Jandy Lite, Brivis is backordered and will ship as soon as it is back in stock.
Delivery and Shipping
Delivery and Shipping
Free Shipping over $149 for most products. Choose Express Post for fastest shipping!
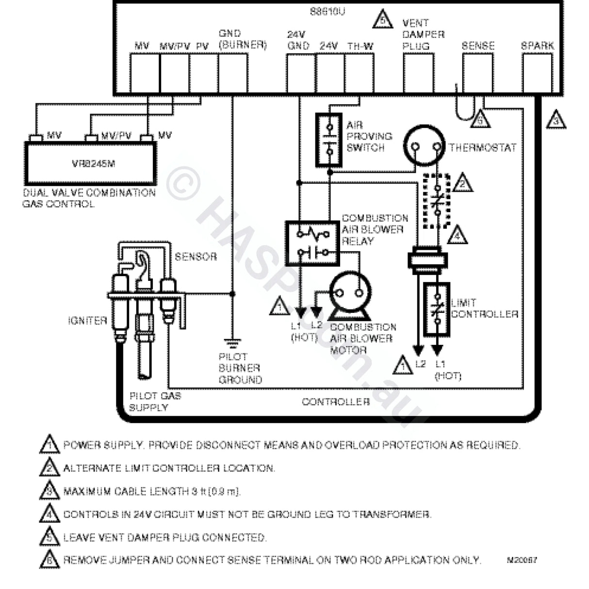
Replaces spark ignition control module for all Honeywell S8600H modules. Used in many Jandy gas pool heaters, as well as Brivis and other gas appliances. New S8610U module replaces the obsolete S8600H and many others.
Old modules were:
24V 60Hz, PV=1A,; MV=1A Max
90 Sec Trial for Ignition
Gas Heater Universal Intermittent Pilot Module - S8610U3009
- Replaces White-Rogers, Robertshaw and Honeywell intermittent pilot ignition modules
- Provides ignition sequencing, flame monitoring and safety shutoff for intermittent pilot warm air furnaces and heating appliances
- Provides 100 percent pilot gas shutoff if pilot fails to light; after 6-minute delay, trial for ignition is repeated. Ignition trial/delay sequence is repeated until the appliance lights or call for heat is removed.
- For use with Natural or LP gas
- For use in single rod or dual rod/remote sense applications
Universal Intermittent Pilot Module Features
- Intermittent Pilot Control Module
- Provides timed trial for ignition or continuous trial for ignition and remote reset on system lockout
- Usable with standard capacity dual valve combination gas controls and automatic vent damper motors
- Replaces S86 Boxes
- Replaces various intermittent pilot modules by Honeywell, Robertshaw, Johnson, and UTEC
In plumbing, named sizes are not the actual measurements. A pipe called “50mm” or “2"” does not measure 50 mm across. Instead, it follows nominal sizing, an internationally-standardised naming system.
Use the Outside Diameter (OD) to check your pipe against fittings. Below is a quick reference for common spa & pool pipe sizes:
| Imperial Name | Metric Name | Pipe Diameter (OD) |
|---|---|---|
| 1" | 25 mm | ~33.4–33.7 mm |
| 1.5" | 40 mm | ~48.1–48.4 mm |
| 2" | 50 mm | ~60.2–60.5 mm |
| 2.5" | 65 mm | ~75.2–75.5 mm |
These are nominal sizes and are designed to fit matching fittings — not to measure exactly what their name suggests.
Understanding Plumbing Sizes & Nominal Measurements
Plumbing sizes can be confusing. PVC and many other pipe systems use nominal sizes—the size is a name, not the exact measured dimension. This convention is used across most pool and spa systems so that pipes and fittings remain compatible.
Why pipe sizes don’t match the measurements
The Nominal Pipe Size (NPS) system standardises pipe dimensions so that pipes, fittings, valves, and accessories interoperate. Plumbers work with these nominal names every day, but DIYers can be tripped up if they try to match by a tape-measure alone.
How to Measure Pipe Correctly
-
Pipe size is identified by:
- The pipe’s Outside Diameter (OD).
- The fitting’s Inside Diameter (ID) (socket opening).
- Pipe Class / Schedule (e.g., Class 9, 12, 18 or Sch 40) relates to wall thickness and therefore the Internal Diameter (ID) and pressure rating.
- The outside diameter of a fitting is not useful (wall thickness varies by manufacturer).
PVC Pressure Pipe AS/NZ 1477 Dimensions1:
Common nominal sizes with typical outside diameters and indicative inside diameters by class.
| Imperial Name | Metric Name | Outside Diameter (OD) | Class 9 IDº | Class 12 IDº | Class 18 IDº |
|---|---|---|---|---|---|
| 1/2" | 15 mm | ~21.2–21.5 mm | 18.3 mm | 17.8 mm | |
| 3/4" | 20 mm | ~26.6–26.9 mm | 23.7 mm | 22.4 mm | |
| 1" | 25 mm | ~33.4–33.7 mm | 30.5 mm | 29.8 mm | 28.1 mm |
| 32 mm | ~42.1–42.4 mm | 38.5 mm | 37.5 mm | 35.4 mm | |
| 1.5" | 40 mm | ~48.1–48.4 mm | 45.2 mm | 44.1 mm | 42.8 mm |
| 2" | 50 mm | ~60.2–60.5 mm | 55.2 mm | 53.7 mm | 50.5 mm |
| 65 mm | ~75.2–75.5 mm | 68.9 mm | 67.0 mm | 63.2 mm | |
| 2.5" | ~73 mm |
- º Internal diameters vary slightly by manufacturer and class.
- 1 Not all pool/spa fittings match these dimensions exactly. Some do not follow Australian or international standards. Chinese spas may use proprietary fittings.
Hose & Tube Dimensions
Common flexible hose sizes used in pool/spa systems (approximate IDs).
| Imperial Name | Metric Name | Inside Diameter (ID) |
|---|---|---|
| 3/8" | 9–10 mm | ~9 mm |
| 3/4" | 19 mm | ~19 mm |
BSP – British Standard Pipe Thread Sizes
BSP thread names are also nominal. The thread OD will not equal the nominal name.
| BSP Thread Size Naming | Outside Diameter (mm / inch) | TPI |
|---|---|---|
| 1/16" BSP | 7.7 mm / 0.304" | 28 |
| 1/8" BSP | 9.7 mm / 0.383" | 28 |
| 1/4" BSP | 13.16 mm / 0.518" | 19 |
| 3/8" BSP | 16.66 mm / 0.656" | 19 |
| 1/2" BSP / 15 mm | 20.99 mm / 0.825" | 14 |
| 5/8" BSP | 22.99 mm / 0.902" | 14 |
| 3/4" BSP / 20 mm | 26.44 mm / 1.041" | 14 |
| 7/8" BSP | 30.20 mm / 1.189" | 14 |
| 1" BSP / 25 mm | 33.25 mm / 1.309" | 11 |
| 1-1/4" BSP | 41.91 mm / 1.650" | 11 |
| 1-1/2" BSP / 40 mm | 47.80 mm / 1.882" | 11 |
| 2" BSP / 50 mm | 59.61 mm / 2.347" | 11 |
| 2-1/4" BSP | 65.71 mm / 2.587" | 11 |
| 2-1/2" BSP | 75.18 mm / 2.960" | 11 |
| 3" BSP | 87.88 mm / 3.460" | 11 |
| 4" BSP | 113.03 mm / 4.450" | 11 |
| 5" BSP | 138.43 mm / 5.450" | 11 |
| 6" BSP | 163.83 mm / 6.450" | 11 |
Payment & Security
We accept: Visa, Mastercard, Amex, Apple Pay, Google Pay, ShopPay, Paypal, Zip, Afterpay
Your payment information is processed securely. We do not store credit card details nor have access to your credit card information.





