Pentair Mastertemp / Waterco Turbotemp 55°C HLS High-Limit - 131°F
Pentair Mastertemp / Waterco Turbotemp 55°C HLS High-Limit - 131°F is backordered and will ship as soon as it is back in stock.
Don't Guess - Ask Us!
Don't Guess - Ask Us!
Not sure if it’s the right part? Send us a message and a photo of what you’re replacing, or what you need, and we’ll help make sure you get the right part the first time.
Delivery and Shipping
Delivery and Shipping
Free Shipping over $149 for most products. Choose Express Post for fastest shipping!
Pentair Mastertemp / Waterco Turbotemp 55°C HLS High-Limit - 131°F is backordered and will ship as soon as it is back in stock.
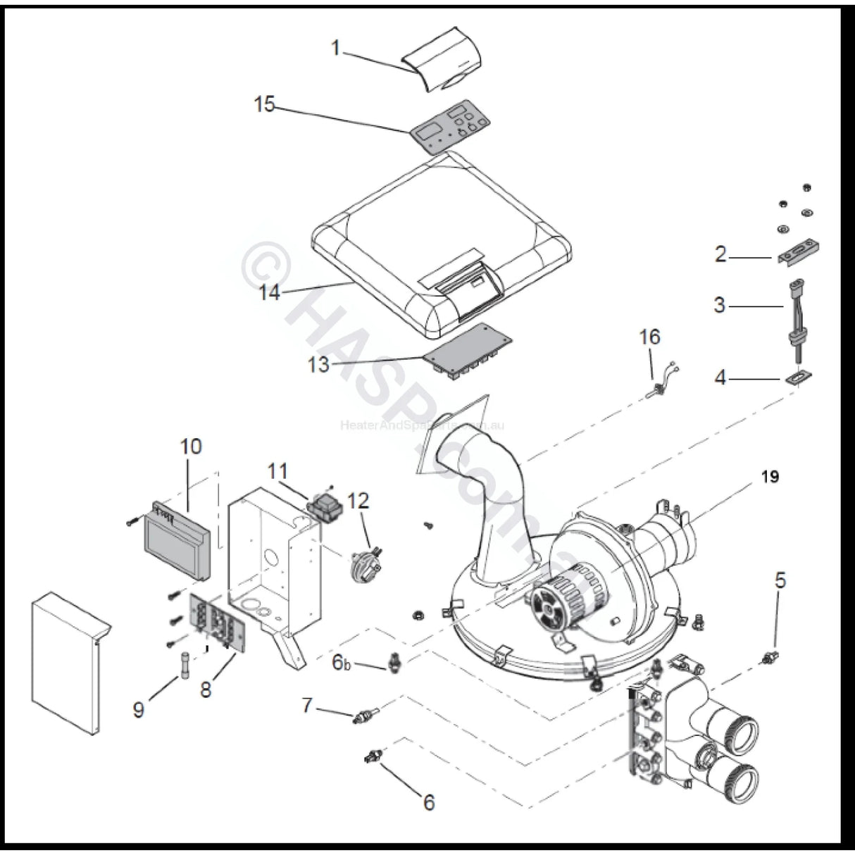
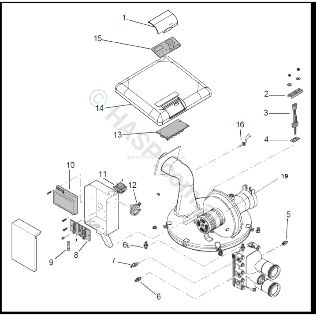
131°F / 55°C HLS - High-Limit For Pentair Mastertemp, Waterco Turbotemp, Sta-Rite Max-E-Therm Gas Pool & Spa Heaters - 200 / 300 / 400 HD models. Note, these are not listed on the diagram.
Pentair Mastertemp / Waterco Turbotemp Electrical Parts List:
- 2. / 3. / 4. Igniter & Gasket Kit
- 5. AGS Switch 60°C / 140°F
- 6. HLS Switch 55°C / 131°F
- 6b. 45°C Switch - Obsolete
- 7. Thermistor / Temperature Sensor
- 10. Ignition Control Module
- 12. Air Flow Switch
- 13. Main PCB / Control Panel
- 15. Touchpad Membrane
- 16. SFS Sensor
For other Pentair Mastertemp / Waterco Turbotemp spare parts, click the correct category below:
- Pentair Mastertemp Gas Heater Spare Parts - Water System
- Pentair Mastertemp Gas Heater Spare Parts - Burner System
Pentair Mastertemp, Waterco Turbotemp, StaRite Max E Pro Error Codes:
Diagnostic LEDs / Error Messages & Causes:
- PS - Check / Replace Pressure Switch. Signifies flow issues.
- HLS - Check / Replace High-Limit Switch/es (faults above 45°C or 55°C) Signifies flow, bypass, governer issues, or other issues.
- AFS - Check / Replace Air Flow Switch. Signifies fan, air flow, or other issues.
- AGS - Check / Replace AGS Automatic Gas Shutoff Switch/es (faults above 60°C). Signifies flow, bypass, governer issues, or other issues. Can also be caused by a 45° Limit Switch on top of the manifold.
- SFS - Check / Replace SFS Stack Flue Sensor (faults above 249°C). High or Low Flue Temperatures are a sign of significant combustion issues, or other issues.
- E01 - Thermistor Fault. Replace Thermistor.
- E05 - General Fault. Needs service. This can be caused by several issues.
- Showing Incorrect Temperature - Replace Thermistor. Check all filters clean. If thermistor shows corrosion, water balance is poor.
In plumbing, named sizes are not the actual measurements. A pipe called “50mm” or “2"” does not measure 50 mm across. Instead, it follows nominal sizing, an internationally-standardised naming system.
Use the Outside Diameter (OD) to check your pipe against fittings. Below is a quick reference for common spa & pool pipe sizes:
| Imperial Name | Metric Name | Pipe Diameter (OD) |
|---|---|---|
| 1" | 25 mm | ~33.4–33.7 mm |
| 1.5" | 40 mm | ~48.1–48.4 mm |
| 2" | 50 mm | ~60.2–60.8 mm |
| 2.5" | 65 mm | ~75.2–75.5 mm |
These are nominal sizes and are designed to fit matching fittings — not to measure exactly what their name suggests.
Understanding Plumbing Sizes & Nominal Measurements
Plumbing sizes can be confusing. PVC and many other pipe systems use nominal sizes—the size is a name, not the exact measured dimension. This convention is used across most pool and spa systems so that pipes and fittings remain compatible.
Why pipe sizes don’t match the measurements
The Nominal Pipe Size (NPS) system standardises pipe dimensions so that pipes, fittings, valves, and accessories interoperate. Plumbers work with these nominal names every day, but DIYers can be tripped up if they try to match by a tape-measure alone.
How to Measure Pipe Correctly
-
Pipe size is identified by:
- The pipe’s Outside Diameter (OD).
- The fitting’s Inside Diameter (ID) (socket opening).
- Pipe Class / Schedule (e.g., Class 9, 12, 18 or Sch 40) relates to wall thickness and therefore the Internal Diameter (ID) and pressure rating.
- The outside diameter of a fitting is not useful (wall thickness varies by manufacturer).
PVC Pressure Pipe AS/NZ 1477 Dimensions1:
Common nominal sizes with typical outside diameters and indicative inside diameters by class.
| Imperial Name | Metric Name | Outside Diameter (OD) |
|---|---|---|
| 1/2" | 15 mm | ~21.2–21.5 mm |
| 3/4" | 20 mm | ~26.6–26.9 mm |
| 1" | 25 mm | ~33.4–33.7 mm |
| 32 mm | ~42.1–42.4 mm | |
| 1.5" | 40 mm | ~48.1–48.4 mm |
| 2" | 50 mm | ~60.2–60.8 mm |
| 65 mm | ~75.2–75.5 mm | |
| 2.5" | ~73 mm |
- º Internal diameters vary slightly by manufacturer and class.
- 1 Not all pool/spa fittings match these dimensions exactly. Some do not follow Australian or international standards. Chinese spas may use proprietary fittings.
Hose & Tube Dimensions
Common flexible hose sizes used in pool/spa systems (approximate IDs).
| Imperial Name | Metric Name | Inside Diameter (ID) |
|---|---|---|
| 3/8" | 9–10 mm | ~9 mm |
| 3/4" | 19 mm | ~19 mm |
BSP – British Standard Pipe Thread Sizes
BSP thread names are also nominal. The thread OD will not equal the nominal name.
| BSP Thread Size Naming | Outside Diameter (mm / inch) | TPI |
|---|---|---|
| 1/16" BSP | 7.7 mm / 0.304" | 28 |
| 1/8" BSP | 9.7 mm / 0.383" | 28 |
| 1/4" BSP | 13.16 mm / 0.518" | 19 |
| 3/8" BSP | 16.66 mm / 0.656" | 19 |
| 1/2" BSP / 15 mm | 20.99 mm / 0.825" | 14 |
| 5/8" BSP | 22.99 mm / 0.902" | 14 |
| 3/4" BSP / 20 mm | 26.44 mm / 1.041" | 14 |
| 7/8" BSP | 30.20 mm / 1.189" | 14 |
| 1" BSP / 25 mm | 33.25 mm / 1.309" | 11 |
| 1-1/4" BSP | 41.91 mm / 1.650" | 11 |
| 1-1/2" BSP / 40 mm | 47.80 mm / 1.882" | 11 |
| 2" BSP / 50 mm | 59.61 mm / 2.347" | 11 |
| 2-1/4" BSP | 65.71 mm / 2.587" | 11 |
| 2-1/2" BSP | 75.18 mm / 2.960" | 11 |
| 3" BSP | 87.88 mm / 3.460" | 11 |
| 4" BSP | 113.03 mm / 4.450" | 11 |
| 5" BSP | 138.43 mm / 5.450" | 11 |
| 6" BSP | 163.83 mm / 6.450" | 11 |
Payment & Security
We accept: Visa, Mastercard, Amex, Apple Pay, Google Pay, ShopPay, Paypal, Zip, Afterpay
Your payment information is processed securely. We do not store credit card details nor have access to your credit card information.

