Description
131°F / 55°C HLS - High-Limit For Pentair Mastertemp, Waterco Turbotemp, Sta-Rite Max-E-Therm Gas Pool & Spa Heaters - 200 / 300 / 400 HD models. Note, these are not listed on the diagram.
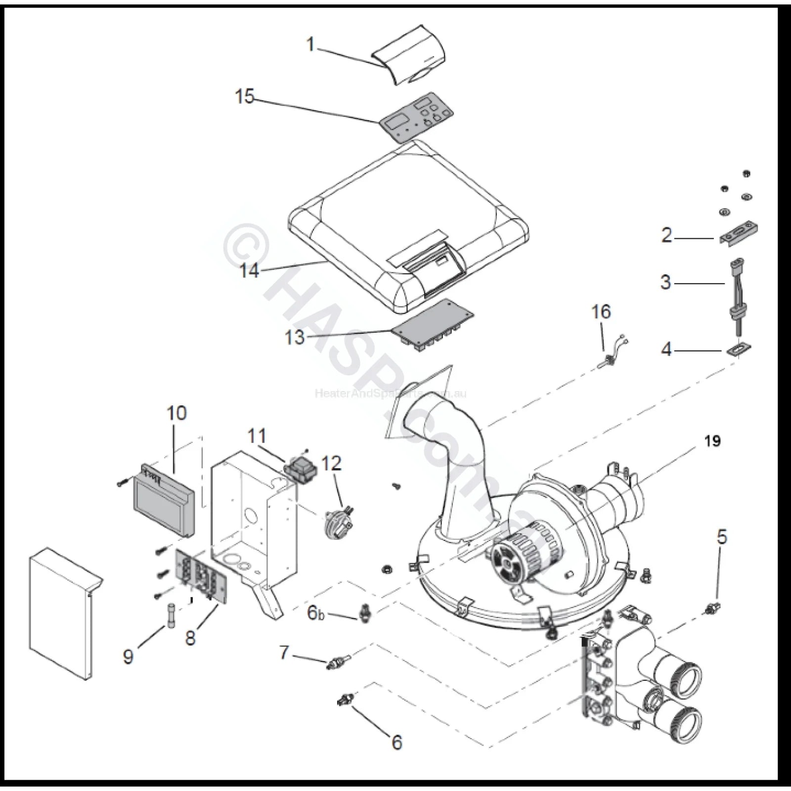
Pentair Mastertemp / Waterco Turbotemp Electrical Parts List:
- 2. / 3. / 4. Igniter & Gasket Kit
- 5. AGS Switch 60°C / 140°F
- 6. HLS Switch 55°C / 131°F
- 6b. 45°C Switch - Obsolete
- 7. Thermistor / Temperature Sensor
- 10. Ignition Control Module
- 12. Air Flow Switch
- 13. Main PCB / Control Panel
- 15. Touchpad Membrane
- 16. SFS Sensor
For other Pentair Mastertemp / Waterco Turbotemp spare parts, click the correct category below:
- Pentair Mastertemp Gas Heater Spare Parts - Water System
- Pentair Mastertemp Gas Heater Spare Parts - Burner System
Pentair Mastertemp, Waterco Turbotemp, StaRite Max E Pro Error Codes:
Diagnostic LEDs / Error Messages & Causes:
- PS - Check / Replace Pressure Switch. Signifies flow issues.
- HLS - Check / Replace High-Limit Switch/es (faults above 45°C or 55°C) Signifies flow, bypass, governer issues, or other issues.
- AFS - Check / Replace Air Flow Switch. Signifies fan, air flow, or other issues.
- AGS - Check / Replace AGS Automatic Gas Shutoff Switch/es (faults above 60°C). Signifies flow, bypass, governer issues, or other issues. Can also be caused by a 45° Limit Switch on top of the manifold.
- SFS - Check / Replace SFS Stack Flue Sensor (faults above 249°C). High or Low Flue Temperatures are a sign of significant combustion issues, or other issues.
- E01 - Thermistor Fault. Replace Thermistor.
- E05 - General Fault. Needs service. This can be caused by several issues.
- Showing Incorrect Temperature - Replace Thermistor. Check all filters clean. If thermistor shows corrosion, water balance is poor.


